热点关头词: 电动牙刷机电航模机电打印机机电电动窗帘机电智能门锁机电


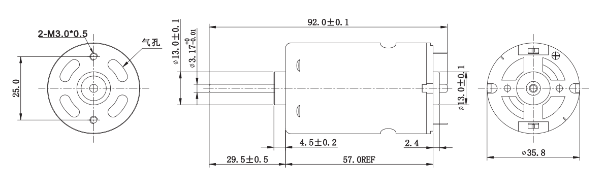
额度电压 (V):12
空载转速(r/min):7700
空载电(dian)流 (A):0.5
您可以或许将产物须要供给给咱们市场发卖职员,咱们将为您遴选或设想最适合的组合计划。
万至达直流有刷机电、吸(xi)尘器马达(da)、遥控车(che)机(ji)电、四驱车(che)机(ji)电具有(you)精致的布局和(he)极高(gao)的功率(lv)传输,其(qi)机(ji♚)能(neng)相对(dui)优(you)良。转(zhuan)矩和(he)转(zhuan)速(su)高(gao)⭕、乐(le)音(yin)低(di)(di)且空隙(xi)低(di)(di);有(you)刷机(ji)电几近能(neng)知足统(tong)统(tong)请求。