热点关头词: 电动牙刷机电航模机电打印机机电电动窗帘机电智能门锁机电


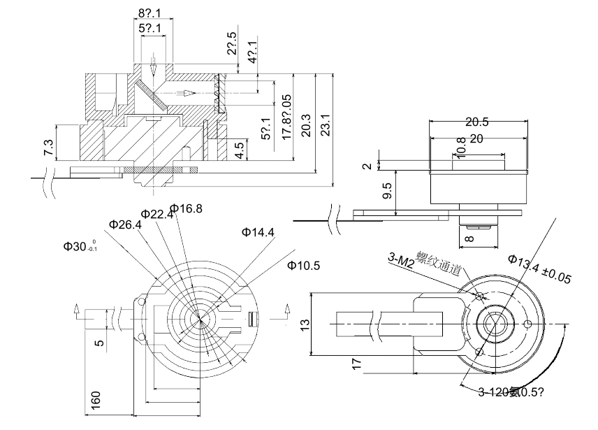
额外电压 (V):7.4V
额外电流(A):≤0.5A
驱动布局:无刷机电+光学(xue)(红外)扫描途径
您可以或许将产物须要供给给咱们市场发卖职员,咱们将为您遴选或设想最适合的组合计划。
万至达OT-IRIS30-001镜头机电、光学镜(jin𒊎g)头机(ji)(ji)电、机(ji)(ji)器镜(jing)头马达(da)、相机(ji)(ji)马达(da)具有精致的布局和极(ji)高的功率(lv)传输,其机(ji)(ji)能(neng)相对优良。转(zhuan)矩和转(zhuan)速高、乐音低且空隙低;OT-IRIS10-011光机(🅷ji)(ji)电电几近能(neng)知足统(tong)统(tong)请求。