|| | 站点舆图
热点关头词: 电动牙刷机电航模机电打印机机电电动窗帘机电智能门锁机电
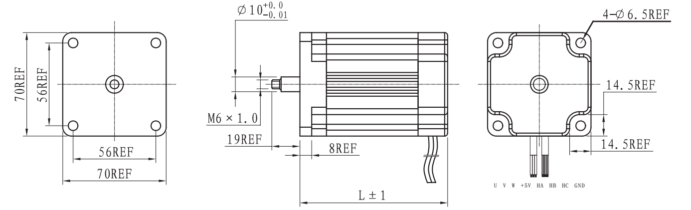
额度电压 (V):36.0 空载转速(r/min):4000 空载(zai)电流 (A):0.20
您可以或许将产物须要供给给咱们市场发卖职员,咱们将为您遴选或设想最适合的组合计划。
万至达OT-EM7070无刷机电、3D打印机机电、家用电器机电、医疗东西机电、健身东西机电具有精(jing)致的(de)布局和(he)极高的(de)功率传输(shu),其机能(neng)相(xiang)对优(you)良。转矩💮和(he)转速(su🦂)高、乐音低且(qie)空隙低;无刷(shua)机电(dian)几近(jin)能(neng)知足(zu)统统请求。
加速机电 空心杯机电 无刷机电 步进机电 有刷机电 伺服机电 光机电电 更多机电+