热点关头词: 电动牙刷机电航模机电打印机机电电动窗帘机电智能门锁机电


额外电压:5.0V
空载速率:82300rpm
空载电流:0.057A
堵(du)转电(dian)流:0.21A
您可以或许将产物须要供给给咱们市场发卖职员,咱们将为您遴选或设想最适合的组合计划。
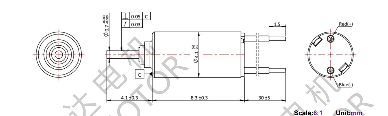
OT-CM0408空心杯机电、微型空心杯机电、、小(xiao)机电具有精致🅷的布局和极高的功(gong)率传输,其机能(neng)相对优良。转矩和转速高、乐音低且空隙低;OT-CM0408空心杯齿轮箱几近能(neng)知足统统请求。
仅(jin)做参(can)考价值,不做显示(shi)会根据,详细完整产品参(can)数(shu)请商谈电🌠磁阀选型建设(she)项目师核对