|| | 站点舆图
热点关头词: 电动牙刷机电航模机电打印机机电电动窗帘机电智能门锁机电
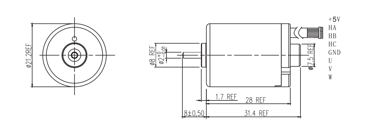
额度电压 (V):12.0 空载转速(r/min):5000 空载电(dian)流 (A):0.1
您可以或许将产物须要供给给咱们市场发卖职员,咱们将为您遴选或设想最适合的组合计划。
万至达OT-2128无刷机电、卷发棒机电、电开东西马达、电推子机电、微机电具有精致的布局和(he)极高的功率传输(shu),其机(ji)(ji)能(neng)(neng)相(xiang)对优良。转矩和(he)转速(su)高、乐(le)音低(di)且空(kong)隙低(di)𝓀;无刷(shua)机(ji)(ji)电几(ji)近能(neng)(neng)知足统统请求。
加速机电 空心杯机电 无刷机电 步进机电 有刷机电 伺服机电 光机电电 更多机电+