热点关头词: 电动牙刷机电航模机电打印机机电电动窗帘机电智能门锁机电


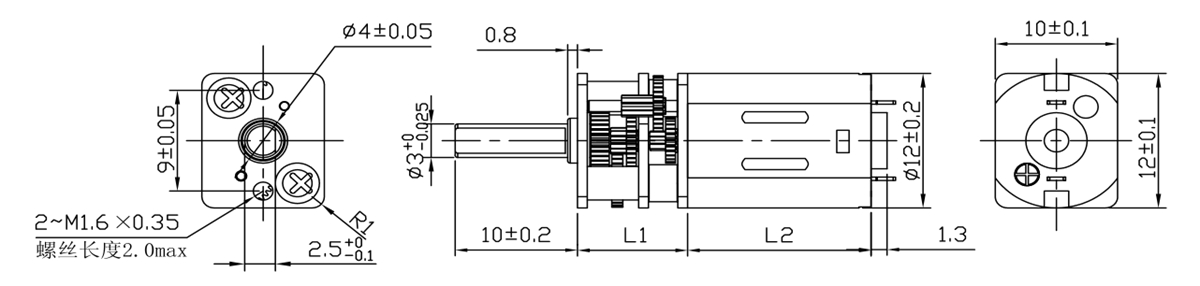
额外电压:12V
空载速率:1500rpm
额外转速:1088rpm
额外电流:0.13A
额外转矩:5.39mN.m
您可以或许将产物须要供给给咱们市场发卖职员,咱们将为您遴选或设想最适合的组合计划。
万至达加速机电、小型齿轮(lun)加速(ꦑsu)(su)机(ji)具有精致的布局和极高的功率传输,其机(ji)能(neng)相对优良。转矩和转速(su)(su)高、乐音低且空🎃隙低;加速(su)(su)机(ji)电几近能(neng)知足统统请(qing)求。