热点关头词: 电动牙刷机电航模机电打印机机电电动窗帘机电智能门锁机电


您可以或许将产物须要供给给咱们市场发卖职员,咱们将为您遴选或设想最适合的组合计划。
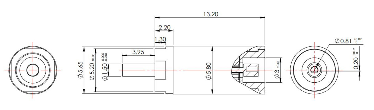
万至达OT- 06GPI太阳系行星伞传动箱显著特点描叙: 1.与爪极机电工程专业組合,提供高转距、低速比读取优点。 2.共 6 种规范化大行星蜗轮箱,外径 4/4.4/5.0/5.8/6.0mm,其他人要可确定雇主post请求制作。 3.推测足公路、底温、方法重载荷、密封等独特的特点的乙酰乙酸工作计划。 4.蜗轮蜗杆背隙小,通知定位精性好。 5.乐音小,所知足低乐音需注意。