|| | 站点舆图
热点关头词: 电动牙刷机电航模机电打印机机电电动窗帘机电智能门锁机电
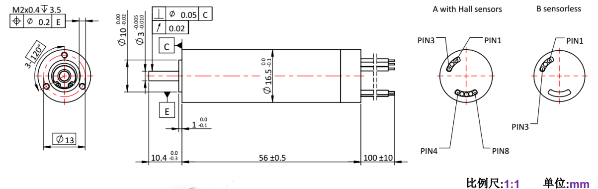
额外电压:24V、36V、48V 额外速率:40100rpm 额外转矩:13mN.m 额外电(dian)流:2.67A
您可以或许将产物须要供给给咱们市场发卖职员,咱们将为您遴选或设想最适合的组合计划。
万至达空心杯机电具有精致的布局和极高的功率传输,其机能相对优良。转矩和转速高、乐音低且空隙低;OT-ECS 1656无槽无刷直流机电几近(jin)能知足统统请求。
加速机电 空心杯机电 无刷机电 步进机电 有刷机电 伺服机电 光机电电 更多机电+