热点关头词: 电动牙刷机电航模机电打印机机电电动窗帘机电智能门锁机电


额外电压:24V
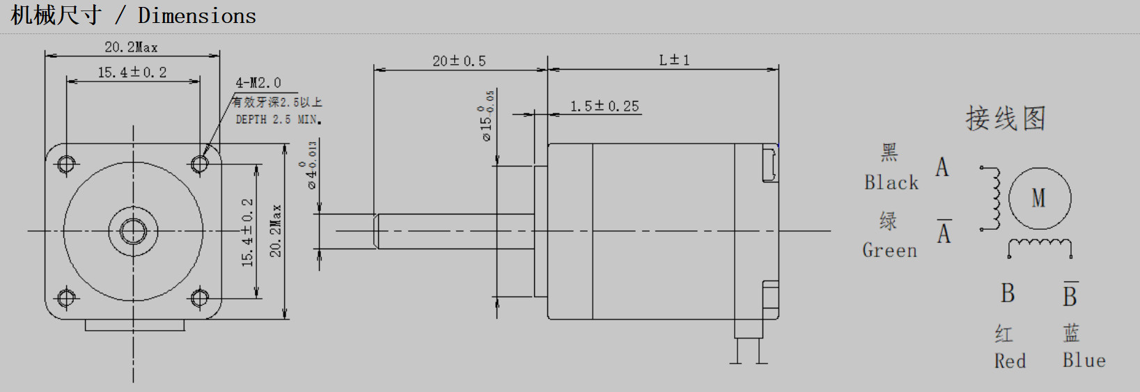
步距角:1.8°
电感:2.5mH
坚持扭矩:140gf.cm
动弹惯量:2g.c㎡
您可以或许将产物须要供给给咱们市场发卖职员,咱们将为您遴选或设想最适合的组合计划。
万至(zhi)达20系(xi)列1.8°两(liang)相两(liang)相参杂步(bu)进电机机电工(gong)程有的是种间(jian)接的将电脉冲发生器(qi)转化成(cheng)为方向国际地位的系(xi)统搭(da)配(pei)𓂃,转动速度(du)的风(feng)疹病毒阳性源于于单脉冲的数量英(ying)文,它和各自配(pei)备的步(bu)进电机控(kong)制下载器(qi)机电设备控(kong)制下载加装(zhuang)(zhuang)(zhuang)同(tong)样(yang)购成(cheng)好(hao)几(ji)回套(tao)有节(jie)制简化而又(you)低(di)费(fei)用(yong)的开环装(zhuang)(zhuang)(zhuang)修(xiu)标准。同(tong)样(yang)代码器(qi)及(ji)内(nei)在控(kong)制下载装(zhuang)(zhuang)(zhuang)修(xiu)标准凭借,又(you)可(ke)变(bian)成(cheng)了低(di)费(fei)用(yong)的步(bu)进电机控(kong)制下载器(qi)伺服(fu)控(kong)制器(qi)装(zhuang)(zhuang)(zhuang)修(xiu)标准(前馈装(zhuang)(zhuang)(zhuang)修(xiu)标准)。